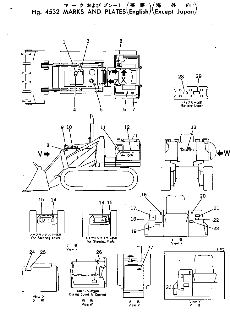
| 1 | 09650-30103 | PLATE, INSTRUCTION,RADIATOR | |
| 2 | 09637-30161 | PLATE, INSTRUCTION,AIR CLEANER | |
| 3 | 09674-00001 | PLATE, OPERATING,BUCKET CONTROL LEVER | |
| 4 | 09668-03000 | PLATE, SAFETY,RADIATOR | |
| 5 | 09663-03000 | PLATE, SAFETY,ENGINE | |
| 6 | 09653-03000 | PLATE, SAFETY,HYDRAULIC TANK | |
| 7 | 09652-30101 | PLATE, CAUTION,WATER DRAIN | |
| 8 | 09667-03000 | PLATE, SAFETY,ENGINE COVER | |
| 9 | 113-98-21220 | PLATE, STRIPE | |
| 10 | 09690-00450 | PLATE, MARK,KOMATSU | |
| 11 | 09694-00140 | PLATE, MARK,SYMBOL | |
| 12 | 113-98-21121 | PLATE, MARK | |
| 12 | 11K-98-21121 | PLATE, MARK | |
| 13 | 09692-02313 | PLATE, MARK | |
| 13 | 09692-02316 | PLATE, MARK | |
| 14 | 09683-30060 | PLATE, OPERATING,STARTING SWITCH | |
| 15 | 09651-03000 | PLATE, SAFETY,BEFORE OPERATING | |
| 16 | 09685-00002 | PLATE, OPERATING,BUCKET CONTROL LEVER LOCK | |
| 17 | 09173-03000 | PLATE, SAFETY,INSPECTION AND MAINTENANCE | |
| 18 | 113-98-31320 | CHART, OIL | |
| 19 | 09657-03010 | PLATE, SAFETY,TRACK SHOE ADJUSTING | |
| 20 | 09685-00002 | PLATE, OPERATING,TRANSMISSION LEVER LOCK | |
| 21 | 09649-03001 | PLATE, INSTRUCTION,ENGINE STOPPED | |
| 22 | 113-98-21370 | PLATE, OPERATING,INTAKE AIR HEATER SWITCH | |
| 23 | 09601-00835 | PLATE, NAME,(LIMITED SUPPLY) | |
| 23 | 04418-13060 | SCREW | |
| 24 | 09685-00001 | PLATE, OPERATING,PARKING BRAKE LEVER | |
| 25 | 09654-03000 | PLATE, SAFETY,STARTING AND LEAVING SEAT | |
| 26 | 103-98-21350 | PLATE, CAUTION,OIL FILTER | |
| 27 | 10E-54-23110 | PLATE, MARK,SYMBOL | |
| 28 | 09664-30065 | PLATE, INSTRUCTION,(U.S.A. AND PUERTO RICO) | |
| 29 | 09664-30081 | PLATE, INSTRUCTION,(U.S.A. AND PUERTO RICO) | |
| 30 | 09656-30080 | PLATE, INSTRUCTION,(ADD. STRAINER, FUEL TANK) |